11年專業銷售工程師-徐工
15年專業銷售工程師-謝工
9年專業銷售工程師-王工
6年銷售工程師-張工
項目產品選型、技術指導高級電器工程師-李工
| 分類 | |
| 品牌 |
| 分類 | |
| 品牌 |
| 分類 | |
| 品牌 |
| 分類 |
|
| 品牌 |
|
優勢一:廣州南創是一家大型傳感器、儀器儀表、工業備品備件供應商!中國傳感器聯合會誠信“AAA”級成員,多家世界知名傳感企業中國市場開拓核心合作伙伴;
優勢二:完善的全國銷售服務網絡:12個區域辦事處、20個分公司、遍布全國的售后服務網點,為您及時便捷實現上門無憂售后服務;
優勢三:為國內多家知名大中型工業企業、航天工業企業提供國際工業自動化控制檢測設備及工業稱重系統和傳感器設備儀表,緊密依托中科院及清華大學的技術支持合作交流。技術、產品可靠值得信賴;
優勢四:鄭重承諾:三個月內產品有質量問題無條件退換貨;
優勢五:資深工程師為您提供全方位完善的一條龍銷售服務指導,售前專業方案設計、產品選型指導,售中安裝調試,售后三年上門免費跟蹤維修服務;
優勢六:全國優勢價格支持銷售,凡在我們公司購買產品,如果同類產品高于主流市場價格,我們雙倍補還差價,性價比高!
優勢七:我公司在國外設有7個境外專業采購中心,保證原裝進口,貨期快捷,價格具有優勢,可靠、放心
優勢八:我公司代理經銷169個品牌,全國同類產品系列全、品種多、多家知名企業中國合作伙伴代理。
寧波柯力sb-3t動載稱重模塊更多產品詳細資料請點擊:柯力稱重傳感器,進入頁面可查找寧波柯力sb-3t動載稱重模塊型號技術參數選型資料,以及寧波柯力稱重模塊具體安裝技術指導信息。
產品名稱:寧波柯力sb-3t動載稱重模塊
產品品牌:寧波柯力
產品價格:電話咨詢報價(020-82303306)
購買寧波柯力sb-3t動載稱重模塊請務必認準【廣州★南創】銷售商官網,全國服務電話:020-82303306,我們鄭重承諾:“三個月內不滿意隨時無條件退換貨, 退還全部貨款,不收任何費用,質保兩年,提供終身免費維護!”
供貨商:廣州南創電子科技有限公司
產品型號:寧波柯力sb-3t動載稱重模塊
產品系列:寧波柯力稱重模塊多系列
產品種類:稱重傳感器
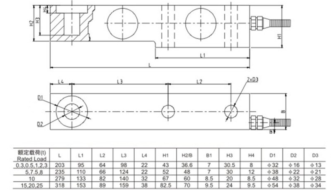
產品規格:3t、10t






寧波柯力sb-3t動載稱重模塊安裝方式徑向安裝方式、切向安裝方式、矩形安裝方式,稱重系統一般由一個固定模塊,一個半浮動模塊及若干個浮動模塊組成,半浮動模塊須安裝在固定模塊的對角;固定模塊的安裝支點不會產生水平位移,因此在系統設計過程中,管道和電氣連接部分應靠近該點;半浮動和浮動模塊使系統能圍繞固定點移動,消除容器變形對稱重產生的影響。設備調試過程中,若出現角差偏差過大、儀表回零較差、砝碼加載后重量值偏小或無變化,請檢查模塊限位部分有無卡死或輕微摩擦影響;檢查設備外圍硬件連接有無外力影響,例如:管道的死連接對稱重的影響。
寧波柯力sb-3t稱重模塊現場安裝注意事項:安裝前請檢查基礎狀況:各安裝點平面落差控制在3mm以內,同一基礎面水平度應控制在1mm/m以內,基礎承載能力要求大于傳感器的量程。模塊安裝完畢請將限位螺桿和螺母松開;螺母向下松開與螺母A并合與下承載板擰緊,同時螺母上墊圈落,使承載器能自由晃動。
柯力sb-3t動載稱重模塊容器與管道的連接:容器與管道連接有多種方式,統稱為軟連接。可根據用戶現場的使用狀況設計不同的軟連方式。1)柔性軟管連接;2)U型性軟管連接;3)波紋管連接;4)套管連接。為了保證電子容器稱重的準確度,必須根據管道內輸送物質的化學特性,選擇不同的軟連方式。1)2)3)用于非揮發性液體,4)用于揮發性液體。為保證電子容器的計量性能以下條件:a.容器本身不受任何外力影響能自由晃動;b.管道與容器選用軟連接。
以上是寧波柯力sb-3t動載稱重模塊產品相關銷售商官網、寧波柯力sb-3t稱重模塊廠家電話、寧波柯力sb動載稱重模塊型號類別技術參數選型安裝等資料信息,如果有關寧波柯力動載稱重模塊其他相關方面需要,可直接電話聯系寧波柯力稱重模塊相關負責工程師咨詢020-82303306。
【廣州★南創】:賣寧波柯力sb-3t動載稱重模塊【銷售商】價格好:¥320元、打電話:020-82303306可了解寧波柯力sb-3t稱重模塊中國官網、廠家及sb-3t稱重模塊產品報價柯力稱重傳感器等信息。
上一篇:sb-10t動載稱重模塊 柯力
本站內容未經許可禁止復制轉載!©2002 廣州南創電子科技有限公司
聯系電話:020-82303306 公司傳真:020-82303511下班及雙休日請撥打各品牌負責人電話電話詳情
備案號: 粵ICP備11086172號-1